技术交流

扫描二维码
或添加“GeneGroup003”
获取更多更新资讯
商城订购

扫描二维码
或添加“基因商城(GeneMart)”
手机下单,快人一步
售后服务

扫描二维码
或添加“GeneGroup005”
获取更快速售后支持
【叮】请您查收这份琼脂糖配胶指南!
琼脂糖凝胶电泳分离技术几乎是所有生物实验室宝宝们的生存必备技能,但是每个宝子都掌握了正确的配胶手法吗?配胶有哪些注意事项呢?今天就听小编带你娓娓道来!
制备琼脂糖凝胶的方法
1、了解所需分离的片段范围,选择合适的胶浓度;
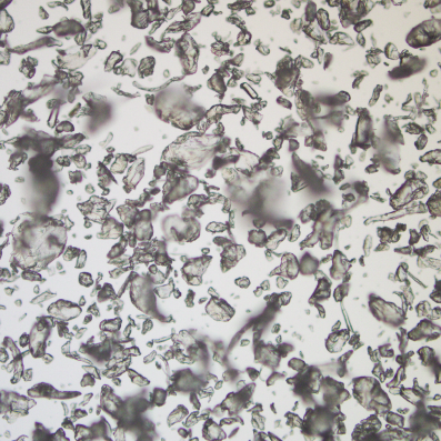
2、加入相应体积的电泳缓冲液(1XTAE 或 TBE)到足够容纳 2-4 倍体积的烧瓶/烧杯中,缓慢加入所需量的琼脂糖粉,迅速混匀,防止结块; 3、 加热前称量一下烧瓶/烧杯和溶液的重量; 4、 用保鲜膜盖住烧瓶/烧杯,并在膜上钻一个小孔; 5、把烧瓶/烧杯放入微波炉里,加热直到烧瓶/烧杯中液体出现气泡; 6、取出烧瓶/烧杯轻轻转动,使沉淀的粉末和胶块重悬; 注意:任何微波后的溶液都有可能加热过度,当摇晃时泡沫可能溢出,请戴好防烫手套。 7、 用微波重新加热烧瓶/烧杯,直到溶液沸腾,所有琼脂糖颗粒溶化; 8. 从微波炉中取出烧瓶/烧杯轻轻转动,充分混匀琼脂糖溶液; 9. 充分溶解后,补足热蒸馏水到与之前(第 3 步)称的重量一致; 10. 充分混合均匀,防止气泡产生; 11. 室温下将溶液冷却至 50°C-60°C 后灌注到胶槽中。 优质的琼脂糖,制备出的每块凝胶,均能提供清晰的DNA条带及一致的分辨能力,不含可检测到的DNase和RNase活性,具有高强度、低背景等优点,因其电渗(EEO)较低,故DNA/RNA在凝胶中的迁移速度更快,从而可以更快捷的完成电泳实验! 而西班牙琼脂糖(BIOWEST AGAROSE)就是这一种电泳级别纯度很高的产品! 4X,10X 显微镜下观察 4x、10x 显微镜下观察,可见粉末均一性好,且颗粒大小适中不易飞粉
分别比较在同样成像条件下不同胶浓度对于DNA样品的分离情况(上图从左至右从上至下的胶浓度依次为2.0%,1.5%,1%,0.6%),图中可见:无论怎么的胶浓度条件均清晰整齐低背景且无拖尾。




自1992年被引入中国市场以来,通过基因集团不断努力,秉承优良服务和优质产品质量的宗旨,BIOWEST AGAROSE(俗称“西班牙琼脂糖”),已成为行内无人不知无人不晓的著名品牌。
教师节快乐 正品,让实验更美好!正品守护,不是3.15的责任,需要的是365天的守护!正品守护,更要依靠你我他,大家共同来努力~ 以琼脂糖致敬科研匠心,以鲜花礼赞师恩深重! 图片模版源于千图网 科研不易,更要感恩师恩! 抓紧时间为实验室添置优质琼脂糖,同时为敬爱的老师送上一份节日惊喜吧! ⬇️ 扫码添加下方微信或者联系您身边的基因人预约鲜花,锁定优惠!

\r\n\n", 3,$destination); ?>