技术交流

扫描二维码
或添加“GeneGroup003”
获取更多更新资讯
商城订购

扫描二维码
或添加“基因商城(GeneMart)”
手机下单,快人一步
售后服务

扫描二维码
或添加“GeneGroup005”
获取更快速售后支持
跑胶天花板——那些年老师们用过的西班牙琼脂糖 「 内附惊喜活动!」
BIOWEST AGAROSE®(俗称“西班牙琼脂糖”),在被基因有限公司引入中国市场以来,逐渐以其优异的品质得到广大用户的认可,成为陪伴了无数科研用户的著名品牌,相信您一定在实验室见过ta的身影。
近年来,在各类产品层出不穷的情况下,西班牙琼脂糖依然能稳居「优质琼脂糖」之列,足以见其性能之稳定和优异。

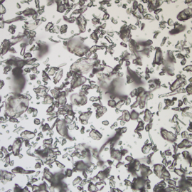
优质的琼脂糖,制备出的每块凝胶,均能提供清晰的DNA条带及一致的分辨能力,不含可检测到的DNase和RNase活性,具有高强度、低背景等优点,因其电渗(EEO)较低,故DNA/RNA在凝胶中的迁移速度更快,从而可以更快捷的完成电泳实验! 而西班牙琼脂糖就是这一款电泳级别纯度很高的产品! 分别在4x(图左)、10x(图右)镜下观察,可见粉末均一性好,且颗粒大小适中,不易飞粉。 分别比较在同样成像条件下不同胶浓度对于DNA样品的分离情况(上图从左至右从上至下的胶浓度依次为0.6%,1%,1.5%,2%),可以看出,在不同胶浓度条件下,均呈现清晰整齐、低背景且无拖尾。 ChIP染色质超声后分别用BIOWEST 西班牙琼脂糖和其他琼脂糖质检,均选取胶图显示片段在100-500bp的超声时间组的样品送第三方建库,但只有西班牙琼脂糖质检组符合建库要求100-500bp,其他琼脂糖质检组片段则偏大。






正因为西班牙琼脂糖有着如此优秀的品质和口碑,有着广大科研人员的认可,随着其知名度的不断扩大,市面上也开始出现一些假冒伪劣产品,很大程度上会对实验结果造成不好的影响,这对我们的品牌和用户都造成了极大的伤害。 那如何才能确定您买到的一定是正品呢?其实大家只需记住一点: 基因有限公司是BIOWEST AGAROSE®西班牙琼脂糖的唯一国内一级授权代理商。
买正品西班牙琼脂糖, 认准基因有限公司!
同时,您还可以直接「扫码查真伪」!下面为大家介绍一下具体的查验步骤: 1 刮开涂层,手机扫描瓶身二维码,或浏览器输入贝晶网站网址http://www.baygene.com/,点击「服务与支持」下的「防伪码查询」。 2 进入验证页面,输入12位数防伪码,点击「查询」。 3 正品查询结果显示: 正品查询结果大于2次以上,弹框提示如下: 4 防伪码输入错误/假货查询结果显示: 错误防伪码次数达到3次后,10分钟内不能再查询:






以上就是西班牙琼脂糖的鉴别方法,大家记住了吗
?
另外,自2023年起,西班牙琼脂糖在上一版的基础上,瓶内新增封口膜,再也不用担心因长途运输偶有发生的漏粉现象发生!
值此3.15国际消费者权益日到来,为了回馈广大用户对正品西班牙琼脂糖一如既往的支持,基因有限公司推出限时优惠促销活动 欢迎大家扫描海报中的二维码参与活动! 方式一:提交您的存疑申请,我们协助您验证真假。 方式二:提交使用西班牙琼脂糖的实验结果,提供和其他品牌的对比数据更佳。 方式三:在本篇文章评论区留言分享您的使用体验。 三种参与方式任选其一(但均需扫码参与哦
!
),扫码参与后即可获得基因定制环保动物玩偶1只,且可以同时获得您的专属[ 电子优惠码 ]!

如果您对本次活动有任何疑问, 欢迎联系产品专员了解更多!

\r\n\n", 3,$destination); ?>